射频问答群问答汇总·第83期【2025.05.30】

负载牵引仿真...和求解器 投票占比:24%
欢迎对本期的精彩回答投票,我们将对最精彩的回答送上小小的礼物。以表示对作者无私技术奉献的感谢。
本文中回答均由各位射频从业者们自发讨论回复,回答之中不免有错误疏漏,也欢迎大家批评指正。
功率合成场景下 S 参数分析是否适用?
Q:请问假设两颗50Ω的MMIC-PA进行合路,合路器是三端口器件,S11很好,S21很好,S22和S33比较差,会影响功率合成吗?
A:会的,幅度不平衡会影响合成效率。
Q:S21=S31都很好,只是S22/33差。
A:S22/S33差,S21/S31能好?
Q:能吧,传输损耗好,端口驻波差。
A:你要看回波有多差。
Q:理论上三端口无耗互易器件,S11足够好,S21/31足够好,s22/33=-6dB;我看有些实际工程应用中合路时S22/33很差,不理解。
A:-6dB好吗?
Q:不好,所以说s22/33比较差。
A:这本身就不好吧?单看S22或者S33应该就是好不到哪儿去。
Q:所以不太理解,有的功率合成时,2和3端口驻波差为什么也没事呢?
A:功率合成是两端口馈电,S参数是单端口馈电。
Q:您好,那么Pa输出接到驻波较差的2端口或者3端口时不一定会反射回来?此时用S参数分析功率合成不太适用?
A:共模输入没有反射。
Q:好嘞,谢谢,我再理解理解。
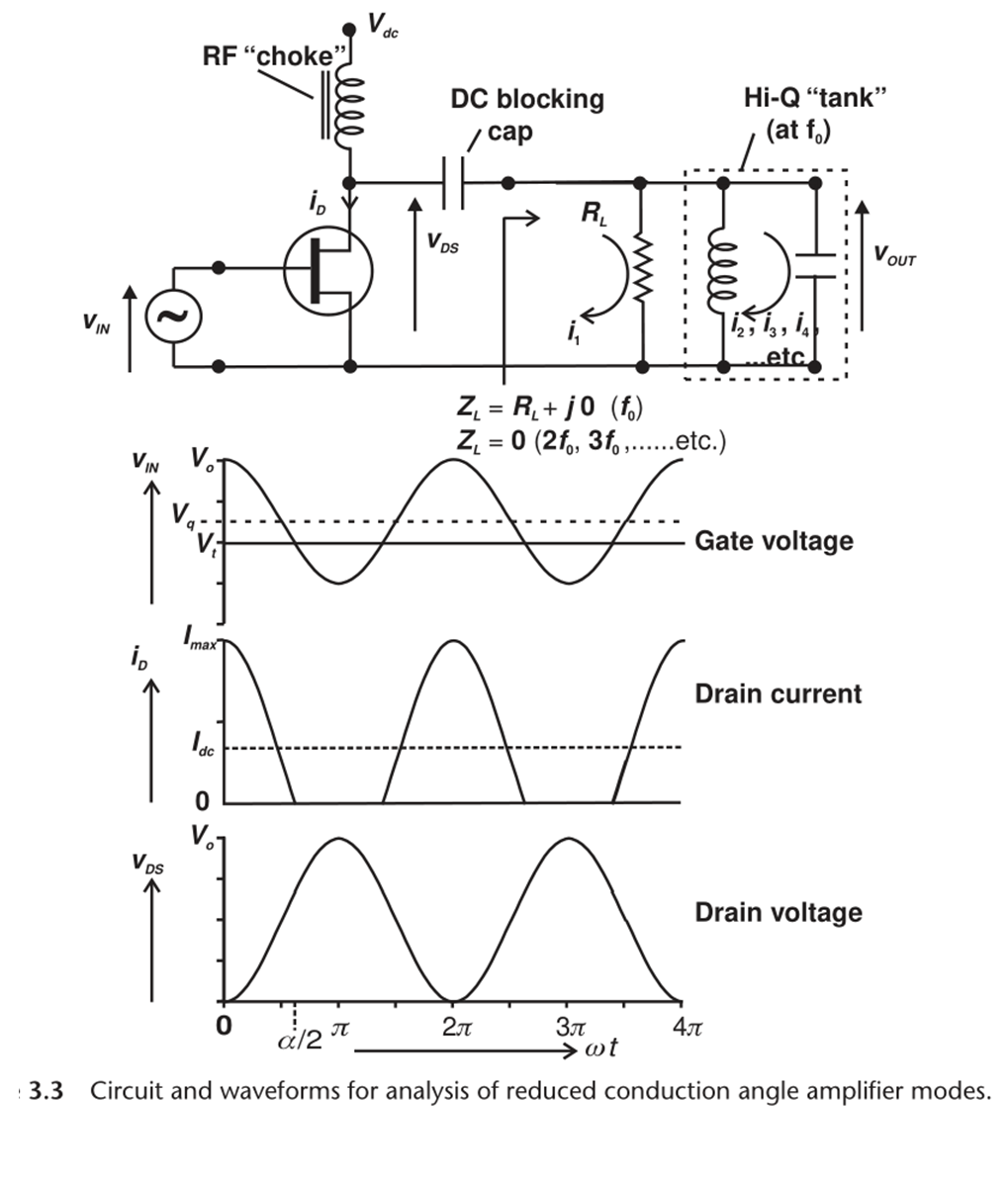
PA 工作在 B/AB 类时 Ids 截止但 Vds 仍为正弦波的原因是什么?
Q:打扰下,有个问题请教下:在PA,工作在B 或者AB类, Ids 截至了,波形是截至正弦波,但是为啥Vds还是正弦波啊。

A:滤波了呀。
A:因为这个:

Q:而且从负载线看,Vds也应该出现截止啊,但是却依旧是正弦波,如下图所示:

A:还是因为这个:

Q:是滤波电路,将电压正弦波提取出来了?
A:是的。
Q:但是有两个疑问,图一中的Vds,是在电容之前。

另外这个负载线,考虑到后面的电路了呢。如果没有考虑,是不是电压应该也是削峰的。
A:如果没有负载没有谐振网络,电压波形和电流波形是一样的,相位相差180而已。
Q:好的 ,非常感谢二位的耐心解答。
有什么设备可以做到控制GPS天线(有源)信号输入的通断?
Q:想请教一个问题,有什么设备可以做到控制GPS天线(有源)信号输入的通断?
A:搞个SWITCH不就行了?
A:可能还得考虑一下开关的插损和隔离度问题。
Q:多谢!
在Virtuoso中如何正确归一化数字输出信号(如output[15:0])?
Q:请问一下 virtuoso中 输出数字信号比如 output[15:0]的二进制码 它对应的模拟信号是电压 输出的时候我想放缩一下 比如57344 我想归一化到1 我除以的2的十六次方。

但是好像calculator 没有把它当做数据57344 而是电压了 这种情况有什么方法解决吗?
A:你先用ad转换成数字信号再试试?转换在这里:

Q:好的好的 谢谢!
TX通路中PA输入匹配需要调试吗?如何优化?
Q:请问整个TX通路中 Transceiver到PA之间的匹配需要关注吗?就是PA的输入匹配,如果关注的话 请问是基于什么性能去调试的呢?
A:以前做手机蜂窝的时候,因为aclr不好调过一次输入匹配(飞线到pa的输入匹配,发现这里的aclr就已经不好了,所以才调试输入匹配)。调到50ohm的位置。
Q:所以就是PA的输出端 根据Loadpull文件 来调试 ,输入匹配一般都是50ohm位置处对嘛?
A:是的。
Q:多谢您!
同型号仪表测量功率相差1dB正常吗?如何处理?
Q:仪表之间打Power 竟然能差到1dB 这正常吗?同型号的仪表 。
A:误差有点大了,需要校准了。
Q:是的 自己能校准吗?IQ5G。
A:联系供应商吧,一般FAE会给校准。
Q:好吧,搞得现在不知道哪个作为基准了。
A:那你们需要一个标准件。
Q:是的。
A:这个仪器我不了解,不过射频三大件都有校准功能。
Q:是的 只不过校准方式略有差异。
A:这些设备厂家一般都会质保,每年会给你定期校准,过了时间,就只能花钱,请计量单位校准了,这个误差太大了,不能容忍,而且功率越大,误差就越大。
Q:是的,主要基准不知道了 ,有的仪表测的功率高,有的仪表测的功率低…真得找FAE。
A:找一个计量日期最近的,或者用一个确定指标的测试件看一下,人为消除一下误差。
Q:有道理,金板的作用此刻体现了。
A:误差是无法避免的。
Q:尽量缩小。
功放仿真增益13dB,实物测试增益大概多少?
Q:大佬们,问一个问题,如果功放仿真出来的版图增益在13个dB左右,那实物加工出来测试的增益大概会是多少呀?

A:频带偏个几百兆都正常。
Q:哈哈,好的。
不用微波暗室矢网测天线增益的方法?
Q:想问一下大家,矢网测天线增益的方法(不用微波暗室)。
A:天线的增益,本质上是一个天线对一个参考的全向天线的相对量(具体可参考书上定义)。
所以可以找一对喇叭天线,测量1号喇叭发射给2号喇叭的能量,即s21。再把一号喇叭换成你想测试的天线,再测测量s21。通过对比两个s21,可得到待测天线的增益和1号喇叭天线的增益之间的关系。已知喇叭天线增益即可计算得到待测天线增益。(比如,把待测天线是z,喇叭天线是y,参考用全向天线是x。已知y=2x,即喇叭天线增益。测量出z=多少y,如z=2y,即可知待测天线增益z=2y=4x)。
方向图的测量也是同样道理。可以旁边放个喇叭天线,二端口接天线,看s21是不是就可以了。
Q:好的,明白了,感谢!
差分信号用Balun仿真时端口阻抗如何匹配?
Q:请教一下大家,差分的信号,用3端口balun来仿真时,阻抗匹配时,port口是直接匹配50欧姆吗?

A:balun不影响阻抗 只是理想的单转差。
理想巴伦阻抗变换1:1的话,差分端就是匹502,差分阻抗1:1变换到单端阻抗刚好匹配。
Q:你好,请教一下,输入50欧姆,差分输出100欧姆,这样吗?

A:不对,应该两个都是50吧。
Q:这样吗,3个50?我发现左边50,右边两端口25,输入驻波最好。

A:我是这么理解:

A:这不好说吧,你单端转差分应该也要看差分信号的相位和幅度吧,如果只是巴伦,我没用过这种,我是自己用电感搭的,而且后面也不会是50欧,一般都是接具体器件的。
Q:哦哦,我是用理想balun,出一个差分信号进行仿真。仿真结果是可以的。就是不太清楚,带着理想balun查看的s11也是ok的,不知道这算不算匹配好了。
A:看你怎么设置,单端口都是50Ω,双端口如果按照图上的负极接到地就是50Ω,如果双端口负极接到双端口其中一个端口,那就设置100Ω。
做匹配建议按照1来做 ,仿真1、2两种设置都是对的 但是表达物理意义不同 第一个表示能量从1端口平均分配到2、3端口 而第二个表示单端口能量全部流动到差分端口。
总结一下:无论哪个仿真方式 能量都是守恒的。

Q:你好,我请教一下,我是用理想balun,出一个差分信号进行仿真。仿真结果是可以的。就是不太清楚,带着理想balun查看的s11也是ok的,不知道这算不算匹配好了。

A:看下S21和31的参数,是不是-3dB左右,以及相位是不是差180,如果都没问题,这个巴伦是正确的。
Q:是对的,那这么说可以认为匹配是对的。我还有一点疑问就是,如果实际应用时没有balun,那直接接50欧姆信号源,可以匹配吗?
A:实际巴伦有电感和寄生电阻,需要LC匹配网络来匹配到50Ω,可以看一下这篇论文:

Q:好的,感谢各位,我学习一下。
微带线MCROSO的四个宽度对应方向如何确定?
Q:大佬们,我没见过有资料介绍过MCROSO,这个微带线的四个宽度对应的方向是这样的吗?左上右下。

A:把每个端口是多少显示出来就能看到了,options里面,或者就到版图里面放一个看看。
Q:好的,谢谢大佬!
以上就是本期全部问答内容了,这期中的问答中哪个是您心目中最精彩的呢?欢迎投票
针对以上问答您有不同的见解吗?欢迎在下方留言区说一说哟
我们将给精彩留言送上慧智微笔记本一个

慧智微射频技术问答9群已建立
欢迎您来提问,更欢迎您来解答

扫码加小助理微信,邀请您进入群聊
本文来自慧智微,未经授权不得转载
如有需要请后台私信慧智微电子发送“转载”


版权声明
本文仅作者转发或者创作,不代表旺旺头条立场。
如有侵权请联系站长删除
- 1 真有热量为 0 的蜜雪冰城!实测23杯这几杯热量惊人,千万别点! 前两个月咱们测了鲜奶茶,评论区和后台都在问——为什么没有蜜雪冰城?!不是我们看不上,而是—— 4 块钱的柠檬水,值得一个专场~今天蜜雪冰城热门款评测,它来了我们根据店里的菜单真鲜果茶、醇香奶茶&芝士奶盖、新鲜冰淇淋几个板...
- 2 2024阿那亚访客问答|海边假日生活全指南,收藏本篇,即刻出发! 编者按:  ...
- 3 亲爱的妳 | 女教师的「智性衣橱」 ...
- 4 NEW IN | 秋风起,印花依旧迷人 ...
- 5 本周活动指南,暑期观影夏令营,萌宠运动会...更多精彩尽在漳州台商万达! ...
- 6 ETF投资知识5 | 手把手教你ETF如何买卖 ETF怎么买?ETF虽然也是基金,但是他的交易方式却等同于股票。因此,想要买卖ETF,首先要有个可以买卖股票的股票账户,还未开通股票账户的投资者可参阅《民生证券开户指南》。然后,投资者们只需要在自己的“民生财富汇App”中输入对应的ETF代...
- 7 根网科技祝您中秋快乐——月满人圆 喜乐安康! 皓月当空,心海澄明君之所想,吾志所向...
- 8 党的二十届三中全会公报一图读懂 来源:新华社免责声明:以上内容基于本公司认为可靠的已公开信息整理形成,民生证券力求但不保证内容的准确性和完整性,不保证已做最新变更。以上内容仅供参考,不构成民生证券做出的投资建议、收益承诺或对任何观点的认可。投资者应自主进行投资决策,民生证...
- 9 阿那亚美食攻略|60+餐厅主厨推荐菜!收藏此篇,一文尽览不能错过的招牌菜 编者按:夏日正酣,正是向海边出发的好季节。旅行中的美食,是风味与记忆的邂逅,也是最抚人心的烟火气。寻访美食的过程,充满期待和惊喜;遇见令人心动的菜肴,便对一座城、一片海有了惦念。海边小镇,既有远近闻名的热门餐厅,也隐藏着不少惊艳一方的小众美...
- 10 权威发布丨辽宁何氏医学院2025年招生简章(文末附2025年招生计划) 高考落下帷幕全新征程即将开启欢迎报考辽宁何氏医学院为梦想奔跑的你必将在美丽的童话镇成就不一样的自己辽宁何氏医学院位于国家教育部、发改委等九部委提出建设的光明小镇的中心,是经教育部批准设置、由留学归国医学博士、全国防盲技术指导组副组长、国际眼...
- 技术穿透场景 祥菱U7重新定义“超值大空间中VAN” 3小时前
- 共建产业生态 谋划全球布局 ——北汽福田与青山控股、广新集团签署战略合作框架协议 3小时前
- 前9月累计劲增113.4% 福田汽车开辟新能源增长新航道 3小时前
- 2025全球AI芯片峰会 | 北极雄芯徐涛:前沿架构支持大模型应用的实践及展望 5小时前
- 文化不老 建筑新生丨三棵树助力莆田市博物馆焕发新貌 7小时前
- 月满华诞,礼遇双节 | 玉瑆商城“用瑆养护”福利全放送! 8小时前
- 德业股份2026届秋招正式开始|与未来能源人,一起做点酷事儿! 19小时前
- 牧原:数智“神笔”,绘就养猪业新蓝图 1天前
- 拾月敬老 财稳福到——民泰银行成都分行2025年10月精彩活动抢先预告 2天前
- 以匠心精神铸就卓越质效|航盛荣获广汽丰田 “品质改善先锋奖” 2天前
旺旺头条



发表评论:
◎欢迎参与讨论,请在这里发表您的看法、交流您的观点。